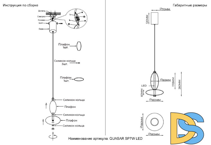
Подвесной светильник Crystal Lux QUASAR SP7W LED TRANSPARENT
Описание
Подвесной светильник Crystal Lux QUASAR SP7W LED TRANSPARENT
Характеристики
Бренд
Crystal Lux
Артикул
QUASAR SP7W LED TRANSPARENT
Коллекция
Quasar
Стиль
Хай-тек
Страна
Испания
форма плафона
Декоративный
материал плафона/абажура
Стекло
цвет плафона/абажура
Прозрачный
количество плафонов/абажуров
1
Мощность лампы, W
7
Общая мощность, W
7
Материал арматуры
Металл
Цвет арматуры
Золото
Лампы в комплекте
Да
Количество ламп
1
Степень защиты (IP)
20
Тип крепления
Монтажная пластина
Производитель
Crystal Lux
вид ламп
Светодиодная
цоколь
LED
напряжение
220
место в интерьере
Для гостиной
штрих-код (служебное)
8400000113236
кратность
1
направление абажуров/плафонов
Вниз
площадь освещения
1
длина подвеса в мм
1652
для натяжных потолков
Да
цвет свечения
Теплый белый
цветовая температура
3000
новинка
Да
Высота, мм
260
Световой поток, лм
350
Диаметр, мм
180
Гарантия
18 месяцев
Расположение
На потолок
Отзывы











































































































































































































































